[最新] 自己保持回路 配線図 116433-自己保持回路 配線図
電磁開閉器はよく見ると思いますが、実際の配線方法ってどんなか分かります? 最初の頃は 『さー配線するぞ! 』 って勢いよく作業にとりかかるが 『あれっ!?』 どうだったかな~ってなったのをよく覚えています。 簡単な配線の場合接続図を書かずに作業する人がいますが、 <自己保持回路>シーケンス図 ad#ad1 <自己保持回路>組立配線図 上記のシーケンス図を実際の部品で配線した図面が以下になる ad#ad1 <自己保持回路>動画(配線図35 回路の編集 ‥‥‥‥‥‥‥‥‥‥‥‥‥‥‥‥‥‥‥‥‥‥‥‥‥‥‥‥‥‥‥‥‥‥‥3 351 回路図の修正
電子工作のすすめ その4 自己保持回路
自己保持回路 配線図
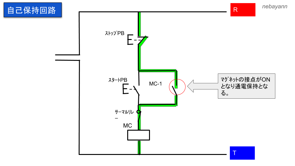
自己保持回路 配線図-操作用押釦のONボタンを離すとモータが止まる原因を、教えてください。 電磁開閉器 (電磁接触器)の自己保持回路に、不備があると考えられます。 下記の結線図を参考に、配線の確認を確認してください。 こちらのよくあるご質問はお役に立ちましたか自己保持回路とは、リレーシーケンスの代表的な回路で、 リレーの「ON」状態を記憶しておく回路です。 上図左側の回路が、基本的な自己保持です。 押しボタンスイッチ(BS1)を押すと、リレー(X1)が、ONになります。



3分で理解できる自己保持回路の仕組み シーケンス制御 Degitekunote2
シーケンサ MELSEC 三菱電機 FAhttp//wwwmitsubishielectriccojp/fa/products/cnt/plc/indexhtmlMELSEC ,GX Works,GX Developer,MELSERVOは三菱電機スイッチだけでは実現できなかった反転回路も実現する.これらの例を図13 に示す. Ⅲ4 自己保持回路 Ⅲ41 自己保持回路 r s r m v d v d 図11 制御用電源と出力電源が異なる回路の制御例 r r r pb r l1 l2 m 図12 1つの制御信号で複数の出力信号を制御する例 r1 r1 r 自己保持回路はリレー回路、シーケンス制御 においての超重要な回路です 特に自動制御をする場合、 自己保持回路なしには回路設計は できません。 重要ですが 決して考え方や方法は難しくないので ぜひ、覚えてください。
シーケンス図の中には自然な形で自己保持回路が多く組み込まれており、普段の生活の中にも自己保持回路は隠れています。 2 自己保持回路の使い方 これまでに私自身が見てきた自己保持回路を使った制御例の中で分かりやすいものをいくつか挙げてみ 自己保持回路とは ラダープログラムを組む際に自己保持回路をよく使用します。 自己保持回路とは、「電源がonした状態を自ら保つ回路」のことです。 この自己保持回路は、電気制御を実行するうえで基本中の基本です。 極端に言えば、どんなに複雑な電気制御システムでも、この自己保持自己保持回路とは 自分で電源経路を保持する回路 の事をいいます。 まずは基本的な回路図を見てみましょう。 これは多分多くの方が知っている基本的な回路ですね。 電源とスイッチとランプが繋がっている直列回路です。 fig1 注目して欲しいのは
自己保持回路を使ってこのランプを順番に点灯するプログラムをつくってみます。 2つ以上の自己保持回路がある場合,自己保持になる順序を決めることができます。この順序のつけ 方には3つのパターンがあります。 パターン1Chap.3 AND,OR,NOT回路をつくる この章では、 ラダー図 シーケンス図でAND,OR,NOTを作ってみます。 3.1 AND回路 図3.1は、 ラダー図 シーケンス図で表現したAND回路です。 図3.1で、押ボタンスイッチPB1、PB2の両方を押すと、リレーR1のコイルに電流が流れます。 自己保持回路とは、入力条件がonすると出力がonして、その後に 入力条件がoffしても出力がoffし続ける (onを保持する)ラダープログラムです。 出力のa接点を入力条件に並列に接続することにより「出力は自身のa接点によってonが保持される」ことが自己保持回路の名前の由来です。



自己保持回路とは 基礎からわかる電気技術者の知識と資格



制御 自己保持回路について 電気 計装 制御の勉強部屋
回路図 仕組み 子機の回路図を、わかりやすいように主要な部分以外取り除くと、下図のようになります。 led横のトランジスタをスイッチに置き換えています。 この回路は、自己保持回路となっていてスイッチを一度押すとスイッチを離してもledが点灯し 自己保持回路とは 図で説明する自己保持回路の配線方法 瞬停タイマーとは 回路の作り方とタイマーの動作について レーダーレベル計とは レベル計の原理と設置時の注意点(温度と位置)3.リレーシーケンス制御の基本回路と実例① 簡易的な実例を用いて、基本制御を解説します。 実例のアニメーション動画に対して、実体配線図とシーケンス図を用いて理解しやすく解説します。 AND回路 複数のa接点を直列に接続した回路を「AND回路」と



電子工作のすすめ その4 自己保持回路



1
1.マグネットスイッチの使用回路例で,簡単なものを示します。これらを組み合わせても各種の回路が できます。 2.配線の太線は主回路,細線は制御回路を示します。マグネットスイッチの内部配線は注記のない限り, そのままでお使いください。制御回路の基本形 基本中の基本回路について、説明します。 すべての制御回路は、この基本回路の考え方から成り立っています。 用意するもの(リレー、パイロットランプは電源に合ったもの) ・押しボタンスイッチ2個(スタートボタンa接点 自己保持回路の電気回路図 自己保持になる電気回路図は、下記のイラストの通りです。 自己保持させるために、操作回路を作る必要があります。 構成部品は、off用スイッチ(pb1)、on用スイッチ(pb2)、マグネットのa接点、サーマルのb接点となっております。



3 リレーシーケンス制御の基本回路と実例 Mizutani Machine



1
電気設計人com シーケンス制御・電気設計のノウハウを紹介 21年5月31日 情報基礎ASCII(アスキー)コード 一覧表 情報基礎 21年5月4日 ラダープログラム自己保持回路の練習問題②キーエンスKV ラダー練習問題初級編 21年5月4日Not回路は信号の論理を否定するので,センサから送られてく る信号の論理が違っている場合の補正などに使われる。 3 モータの始動・停止回路 1自己保持回路 図4─7の回路では,押しボタンスイッチを押し続けていなければ, 1 1ラッチ回路(自己保持回路)とは 一度スイッチをオンしたら、そのスイッチをオフしてもオン状態を保持する回路 のことです。 今回はnpnトランジスタとpnpトランジスタの2つを使用したラッチ回路について説明します。



初心者でも理解 電気屋が教える有接点リレーの基本 自己保持回路 電気エンジニアのツボ



メカニカルリレーを使った自己保持回路を回路図でわかりやすく
Plcの配線は図2のようになってい ます。y10をonにすると前進し,y11をonにすると後退します。前進端と後進端のリミットスイッチ はplcの入力のx2とx3に配線されています。 特集 具体例から学ぶplc制御プログラム入門 第2章 タイマ・パルス・自己保持回路の使い方図3 パルスとセット・リセットを使ったプログラム (2)自己保持による制御プログラム 図4 自己保持回路を使ったプログラム y10 x00 x03 x01 y10 x02 スタートスイッチx00と後退スタートスイッチx01 の両方を押したままにすると、往復を繰り返します。リレー回路⇒自己保持回路が、ただ単に集まった(組み合わさった)回路 の事を言う。 ラダー回路 ⇒PLC(Programable Logic Controler)ソフト内で ラダープログラム で基本的にリレー回路を組まれて



シーケンス制御 自己保持回路 Jw Cadの使い方



リレーシーケンスの自己保持回路について シーケンス制御入門 ある電機屋のメモ帳
低圧 自己保持回路とは 図で説明する自己保持回路の配線方法 年11月22日 nemu0314



3 リレーシーケンス制御の基本回路と実例 Mizutani Machine



自己保持回路



初心者向け 自己保持回路ってどんなもの ラダー図の動きを順番に説明するよ シーケンス制御の部屋



図と写真で理解 自己保持回路の配線方法 ある電機屋のメモ帳



図と写真で理解 自己保持回路の配線方法 ある電機屋のメモ帳



うねる 玉ねぎ 下 リレー スイッチ 回路 図 Nawa Kolkata Org



うねる 玉ねぎ 下 リレー スイッチ 回路 図 Nawa Kolkata Org



自己保持回路とは 図で説明する自己保持回路の配線方法 工場の電気保全 強電と弱電と計装関係



図と写真で理解 自己保持回路の配線方法 ある電機屋のメモ帳



シーケンス制御 シーケンス図の書き方 とある科学の備忘録



リレーシーケンスの基礎 音声付き電気技術解説講座 公益社団法人 日本電気技術者協会



入力に使用したb接点の考察



リレーを使用した自己保持回路でランプの点灯 現在 電気制御の勉強を その他 教育 科学 学問 教えて Goo



リレー回路 自己保持回路の回路図と動作 電気設計人 Com



制御 自己保持回路について 電気 計装 制御の勉強部屋



リレーの自己保持回路とはどのような回路ですか 製品に関するfaq オムロン制御機器



ラダープログラム回路 自己保持回路のラダープログラム例 キーエンスkv 電気設計人 Com



うねる 玉ねぎ 下 リレー スイッチ 回路 図 Nawa Kolkata Org



3分で理解できる自己保持回路の仕組み シーケンス制御 Degitekunote2



3 リレーシーケンス制御の基本回路と実例 Mizutani Machine



3 リレーシーケンス制御の基本回路と実例 Mizutani Machine



図と写真で理解 自己保持回路の配線方法 ある電機屋のメモ帳



自己保持回路とは ある電機屋のメモ帳



シーケンス制御の基礎 自己保持回路 やさしく解説する電気 受電から制御まで



リレーシーケンスの自己保持回路について シーケンス制御入門 ある電機屋のメモ帳



超簡単 電気工作 配線入門書 自己保持回路 よろづ



自己保持回路 Youtube



自己保持回路とは 図で説明する自己保持回路の配線方法 工場の電気保全 強電と弱電と計装関係



図と写真で理解 自己保持回路の配線方法 ある電機屋のメモ帳



シーケンス図 リレー回路図 の読み方 基礎からわかる電気技術者の知識と資格



リレー回路 自己保持回路の回路図と動作 電気設計人 Com



自己保持回路とは ある電機屋のメモ帳



自己保持回路でリレーを使ってモーターを回します電源は24vです Yahoo 知恵袋



自己保持回路とは ある電機屋のメモ帳



マグネットスイッチを使ったシーケンス回路 基礎からわかる電気技術者の知識と資格



自己保持回路とは ある電機屋のメモ帳



自己保持回路とは やさしい解説



図と写真で理解 自己保持回路の配線方法 ある電機屋のメモ帳



業務用厨房 メンテナンスの裏の裏



リレーシーケンスの自己保持回路について シーケンス制御入門 ある電機屋のメモ帳



3分で理解できる自己保持回路の仕組み シーケンス制御 Degitekunote2



図と写真で理解 自己保持回路の配線方法 ある電機屋のメモ帳



電気入門総合情報 Com 電気工事士及び電気の基礎入門情報サイト シーケンス制御 自己保持回路



1



図と写真で理解 自己保持回路の配線方法 ある電機屋のメモ帳



3分で理解できる自己保持回路の仕組み シーケンス制御 Degitekunote2



教材内容 図解式 シーケンス制御 Com



うねる 玉ねぎ 下 リレー スイッチ 回路 図 Nawa Kolkata Org



電磁開閉器を使ってモーターを動かしてみよう 実際の配線方法 将来ぼちぼちと



3 リレーシーケンス制御の基本回路と実例 Mizutani Machine



自己保持回路とは 基礎からわかる電気技術者の知識と資格



自己保持回路



初心者向け インターロック回路の動作説明とタイムチャート シーケンス制御の部屋



3分で理解できる自己保持回路の仕組み シーケンス制御 Degitekunote2



3分で理解できる自己保持回路の仕組み シーケンス制御 Degitekunote2



リレー回路 自己保持回路の回路図と動作 電気設計人 Com



超簡単 電気工作 配線入門書 タイマー自己保持回路 よろづ



リレー回路 自己保持回路の回路図と動作 電気設計人 Com



リレーシーケンスの基礎 音声付き電気技術解説講座 公益社団法人 日本電気技術者協会



リレーシーケンスの自己保持回路について シーケンス制御入門 ある電機屋のメモ帳



シーケンス制御 ボタンひとつで出力をon Offするリレー回路 Fa電気屋さんの学ぶブログ



シーケンス制御 ボタンひとつで出力をon Offするリレー回路 Fa電気屋さんの学ぶブログ



リレー回路 自己保持回路の回路図と動作 電気設計人 Com



自己保持回路とは 図で説明する自己保持回路の配線方法 工場の電気保全 強電と弱電と計装関係



自己保持回路実用 やさしく解説する電気 受電から制御まで



マグネットスイッチを使ったシーケンス回路 基礎からわかる電気技術者の知識と資格



自己保持回路とは 図で説明する自己保持回路の配線方法 工場の電気保全 強電と弱電と計装関係



実態配線図は初心者に分かりやすい いつくかの回路で事例紹介 電気エンジニアのツボ



シーケンス制御実験装置の使用方法



シーケンス実習キットmini Step06 自己保持回路 1 Youtube



自己保持回路について実配線図と電気の流れ方を教えてください スイッチ Yahoo 知恵袋



基本回路3 実写版リレーの構造と自己保持回路 Youtube



Engineering



リレー回路 自己保持回路の回路図と動作 電気設計人 Com



リレー回路 自己保持回路の回路図と動作 電気設計人 Com



電気入門総合情報 Com 電気工事士及び電気の基礎入門情報サイト シーケンス制御 自己保持回路



自己保持回路とは 図で説明する自己保持回路の配線方法 工場の電気保全 強電と弱電と計装関係



三菱製シーケンサ制御入門 マンツーマン指導内容



自己保持回路実用 やさしく解説する電気 受電から制御まで



自己保持回路 有接点リレー回路 シーケンス制御 を理解するための登竜門 Youtube



自己保持回路とは やさしい解説



自己保持回路とは 基礎からわかる電気技術者の知識と資格



内部リレーと自己保持を使ったランプの点灯消灯ラダー回路を解説します シーケンス制御の部屋



キャンピングカー 10 自己保持回路とヒューズボックス お父さんの工作室



自己保持回路とは 図で説明する自己保持回路の配線方法 工場の電気保全 強電と弱電と計装関係



自己保持回路



自己保持回路 シーケンス制御講座



自己保持回路とは 基礎からわかる電気技術者の知識と資格



3zt 8g Rxfxr2m



初心者向け 自己保持回路ってどんなもの ラダー図の動きを順番に説明するよ シーケンス制御の部屋



自己保持回路とは 図で説明する自己保持回路の配線方法 工場の電気保全 強電と弱電と計装関係



シーケンス制御の基本 自己保持回路とは何 動作順序をつくるには組み合わせるだけ 初心者向けに解説 将来ぼちぼちと



1995 号 自己保持リレー Astamuse



リレー回路 自己保持回路の回路図と動作 電気設計人 Com
コメント
コメントを投稿